Mounted N-BK7 Plano-Concave Lenses, Uncoated

LC1054-ML
(Ø1/2")
LC1715-ML
(Ø1")
- Negative Focal Length Used to Diverge Collimated Beams
- Zemax Files Available
- Wavelength Range: 350 nm - 2.0 µm
- Ø1/2", Ø1", or Ø2" Optics in SM-Threaded Mounts
LC1315-ML
(Ø2")

Please Wait
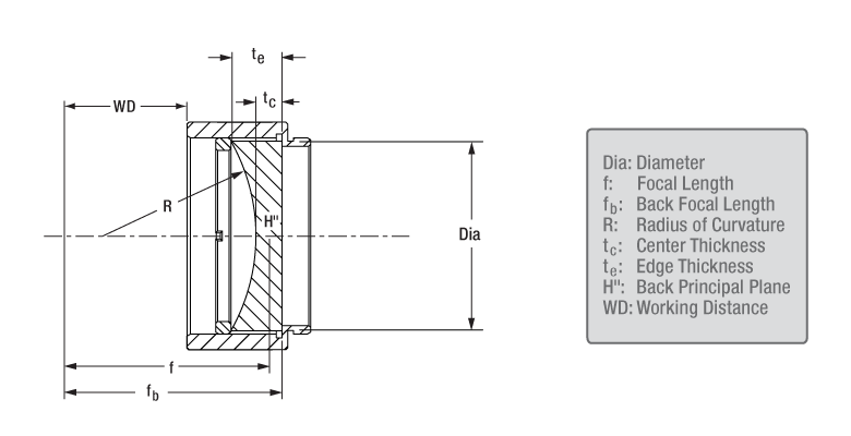
Common Specifications | |
---|---|
Lens Shape | Plano-Concave |
Substrate Material | N-BK7 (Grade A)a |
Wavelength Range | 350 nm - 2.0 µm |
Diameters Available | Ø1/2" in SM05-Threaded Mount (0.535"-40) Ø1" in SM1-Threaded Mount (1.035"-40) Ø2" in SM1-Threaded Mount (2.035"-40) |
Diameter Tolerance | +0.0/-0.1 mm |
Thickness Tolerance | ±0.1 mm |
Focal Length Tolerance | ±1% |
Design Wavelength | 633 nm |
Index of Refraction @ 633 nm |
1.515 |
Surface Quality | 40-20 Scratch-Dig |
Surface Flatness (Plano Side) |
λ/2 |
Spherical Surface Powerb (Concave Side) |
3λ/2 |
Surface Irregularity (Peak to Valley) |
λ/4 |
Abbe Number | vd = 64.17 |
Centration | <3 arcmin |
Clear Aperture | Ø1/2" Lenses: >Ø11.0 mm Ø1" Lenses: >Ø22.86 mm Ø2" Lenses: >Ø45.72 mm |
![]() |
---|
Click on the red Document icon next to the item numbers below to access the Zemax file download. Our entire Zemax Catalog is also available. |
Features
- Material: N-BK7
- Wavelength Range: 350 nm - 2.0 μm (Uncoated)
- Choose from Ø1/2", Ø1", or Ø2" Optics
- Mounted in SM-Compatible Lens Cells
- Offers Excellent Transmission Throughout the Visible and Near Infrared
These Plano-Concave Lenses are fabricated from RoHS-compliant N-BK7 glass. N-BK7 is one of the most common types of optical glass used for high quality optical components. It is typically chosen whenever the additional benefits of UV fused silica (i.e., good transmission further into the UV and a lower coefficient of thermal expansion) are not necessary. However, for particularly harsh environments where the optic will be exposed to alkalis and acids, consider our N-SF11 plano-concave lenses. Since the Abbe Number of N-SF11 (25.76) is lower than that for N-BK7 (64.17), lenses fabricated from N-SF11 will exhibit higher dispersion than those fabricated from N-BK7.
These Ø1/2", Ø1", and Ø2" lenses are mounted in SM05- (0.535"-40), SM1- (1.035"-40), and SM2- (2.035"-40) compatible mounts, respectively, for compatibility with our line of SM-threaded lens tubes. These lenses, like all plano-concave lenses, have negative focal lengths and can be used to diverge collimated beams. In this case, the curved surface of the lens should face the source to minimize spherical aberration. In addition, they can be employed to offset the effects of spherical aberration caused by other lenses in an optical system.
N-BK7 lens kits are also available. Please click here for information.
N-BK7 Plano-Concave Lens Selection Guide | |
---|---|
Unmounted Lenses | Mounted Lenses |
Uncoated | Uncoated |
A Coating (350 - 700 nm) | A Coating (350 - 700 nm) |
B Coating (650 - 1050 nm) | B Coating (650 - 1050 nm) |
C Coating (1050 - 1700 nm) | C Coating (1050 - 1700 nm) |
Quick Links to Other Spherical Singlets | ||||||
---|---|---|---|---|---|---|
Plano-Convex | Bi-Convex | Best Form | Plano-Concave | Bi-Concave | Positive Meniscus | Negative Meniscus |
Click to Enlarge
Click Here for Raw Data
The transmission curve for N-BK7, a RoHS-compliant form of BK7. Total Transmission is shown for a 10 mm thick, uncoated sample and includes surface reflections.
N-BK7 Plano-Concave Lens Selection Guide | |
---|---|
Unmounted Lenses | Mounted Lenses |
Uncoated | Uncoated |
A Coating (350 - 700 nm) | A Coating (350 - 700 nm) |
B Coating (650 - 1050 nm) | B Coating (650 - 1050 nm) |
C Coating (1050 - 1700 nm) | C Coating (1050 - 1700 nm) |
The lenses sold on this page are also available with broadband antireflective coatings, the reflectance traces of which are shown in the Broadband AR Coatings plot.
These high-performance multilayer AR coatings have an average reflectance of less than 0.5% (per surface) across the specified wavelength ranges and provide good performance for angles of incidence (AOI) between 0° and 30° (0.5 NA). The Broadband AR Coatings plot indicates the performance of the standard coatings in this family as a function of wavelength. Broadband coatings have a typical absorption of 0.25%, which is not shown in the reflectance plots.
Posted Comments: | |
No Comments Posted |


