Manual Micrometer Heads, 1" (25 mm) Travel

- 1" (25 mm) Travel Range
- 0.001" (10 µm) of Travel per Division
- Spherical Tip Minimizes Positioning Alignment Errors
- Available With or Without 5/64" (2.0 mm) Hex on the End
150-801ME-H
5/64" Hex
The PT1 translation stage includes a 150-811ST micrometer, which does not feature a hex on the end.
Application Idea

Please Wait
| Item # | 150-811ST | 150-811ST-H | 150-801ME | 150-801ME-H |
|---|---|---|---|---|
| Travel Range | 1.000" | 25.00 mm | ||
| Graduation | 0.001" per Division | 10 µm per Division | ||
| Distance per Rev | 0.025" | 0.5 mm | ||
| Barrel Diameter | 3/8" (9.5 mm) | |||
| Hex | N/A | 5/64" (2.0 mm) | N/A | 5/64" (2.0 mm) |
| Load Capacity | 4 kg (Max) | |||
| Scale Surface | Hard-Chrome Plating | |||
Features
- Standard Ø3/8" (Ø9.5 mm) Mounting Barrel
- Hard-Chrome-Plated Polished Spindle Improves Accuracy
- Knurled Adjustment Knob for Grip
- Engraved 0.001" (10 µm) Graduations for Accurate Alignment
- Versions with 5/64" (2.0 mm) Hex Available
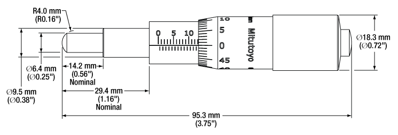
The 150-811ST and 150-811ST-H micrometers provide a travel range of 1.000" and feature engraved graduations every 0.001", while the 150-801ME and 150-801ME-H micrometers provide a travel range of 25.00 mm with 10 µm spacing between graduations. Item numbers ending in -H incorporate a 5/64" (2.0 mm) hex on the micrometer knob to enable actuation in space-constrained environments.
The spherical spindle tip provides a single point of contact, which minimizes positioning alignment errors. The 150-811ST and 150-801ME micrometers are included with Thorlabs’ PT1 and PT1/M translation stages, respectively. Please contact Tech Support for information on integrating these micrometers into other items.

Click for Details
Figure 1.1 150-811ST

Click for Details
Figure 1.2 150-801ME

Click to Enlarge
Figure 1.3 Micrometers ending in -H feature a 5/64" (2.0 mm) hex on the micrometer knob.
| Posted Comments: | |
stan louie
 (posted 2023-10-03 12:16:45.28) How do you lubricate one of your micrometers that has seized? cdolbashian
 (posted 2023-10-18 04:51:13.0) Thank you for reaching out to us with this inquiry. Generally we would encourage you to keep these lubricated, perhaps with a lubricant from our page here: https://www.thorlabs.com/newgrouppage9.cfm?objectgroup_id=2519. I have contacted you directly to discuss this. apalmentieri
 (posted 2010-03-12 16:26:51.0) A response from Adam at Thorlabs: Thank you for pointing this error out. We have confirmed the dimension of 6.35mm and will change the drawing on the website. We will also make sure the next version of the catalog does not have this error. user
 (posted 2010-03-12 13:01:41.0) 150-801ST (metric micrometer) overview and pdf show spindle diameter at 0.25" (6.0mm), but 0.25" is actually 6.35mm. 6.35mm is what is found on the downloaded SW model.
Received part is found to have 6.50mm !
Need some consistency / accuracy here. |
Products Home







1" (25 mm) Travel